

Ватрогасно возило за пену Howo TX 4x2 запремине 7,5 кубних метара користи шасију Howo TX са међуосовинским растојањем од 4700 мм. Опремљено је мотором Weichai WP4.6NQ240E62 и мењачем Sinotruk HW95508STCL. Предњи део надградње је кутија за опрему за складиштење помоћне ватрогасне опреме. Средњи део садржи резервоар за воду од угљеничног челика запремине 5,5 кубних метара и резервоар за пену од нерђајућег челика запремине 2 кубна метра. Задња просторија за пумпу опремљена је ватрогасном пумпом CB10/40-LC(BS), контролном таблом, ватрогасном опремом, монитором за ватру PL8/32 на крову резервоара и два шахта европског стандарда.
Шасија камиона:
HOWO TX, 4x2Радни капацитет:
5500L water +2000L foamСнага мотора:
240 HP/ WP4.6NQ240E62Ватрогасна пумпа:
China CB10/40-LC(BS)Проток пумпе:
40L/sРадни притисак:
1.0 MpaВатрогасни монитор:
China PL8/32Праћење протока:
32 L/sДомет монитора:
Water≥60 m,Foam≥48mThe Хово Модел 6-точкаш Противпожарно возило је потпуно функционално главно борбено ватрогасно возило средње величине, које комбинује снажну мобилност, велике резерве средства за гашење пожара и разноврсне борбене способности. Што се тиче снаге, поседује Веичаи мотор упарен са Синотрук мењачем, пружајући снажну снагу и ефикасан пренос.
Надградња је научно осмишљена, са предњом кутијом за опрему за уредно складиштење разне ватрогасне опреме; централни резервоар за воду и резервоар за пену имају капацитете складиштења погодне за различите пожарне ситуације; а задња пумпна просторија је потпуно опремљена основном опремом за лако руковање. Монитор пожара на врху резервоара омогућава даљинско и прецизно гашење пожара, ефикасно реагујући на различите пожаре класе А и класе Б.
» Ⅰ. Главне карактеристике:
★ Моћан мотор од 240 КС, 100.000 км без проблема.
★ HOWO нови модел TX кабине, европски дизајн
★ Осовина Ман технологије, изузетно погодна за АФРИКУ.
» Ⅱ. Параметар производа:
|
HOWO TX 4x2 ватрогасно возило са пеном и водом |
|||
|
Опште |
Радни капацитет |
Резервоар за воду од 5500 литара, резервоар за пену од 2000 литара |
|
|
Шасија камиона |
ХОВО ТX240 |
||
|
Снага мотора |
240 КС / ВП4.6НК240Е62 |
||
|
Ватрогасна пумпа |
ЦБ10/40-ЛЦ(БС) |
||
|
Шасија |
Тип погона |
4X2 |
|
|
Преношење |
СИНОТРУК HW95508STCL 8-брзински, мануелни |
||
|
Међуосовинско растојање |
4700 мм |
||
|
Гума |
295/80R22.5 18PR, 6+1 точак |
||
|
Ватрогасна пумпа |
Модел |
ЦБ10/40-ЛЦ(БС) |
|
|
Притисак |
1 МПа |
||
|
Максимални радни притисак |
1,380 МПа |
||
|
Максимални дозвољени улазни притисак |
0,4 МПа |
||
|
Флукс |
40 л/с |
||
|
Максимална висина усисавања |
7 м |
||
|
Номинална брзина |
3300 о/мин |
||
|
Однос брзине |
1:1,542 |
||
|
Мешалица за дозирање пене и воде |
Модел |
PH64-RS |
|
|
Однос мешања |
6% |
||
|
Опсег радног притиска |
0,6 ~ 1,4 МПа |
||
|
Опсег протока |
16 ~ 64 л/с |
||
|
Погодне категорије течности за пењење |
Категорија Б |
||
|
Монитор за ватру |
Модел |
PL8/32 |
|
|
Проток |
32 л/с |
||
|
Називни радни притисак |
0,8 МПа |
||
|
Домет |
Вода |
≥ 6 0 м |
|
|
Пена |
≥ 48 м |
||
|
Ротација висине тона |
- 45 ~ +70° |
||
|
Хоризонтална ротација |
0 ~ 360° |
||
|
Електронски аларм |
Електронски аларм |
LY CJB-100-C24 / дужине 1,2 м |
|
|
Стандардна конфигурација |
Сва стандардна додатна опрема: ватрогасно црево, филтер, спојница, кључ, пиштољ за воду/пену, основни комплет алата, упутство на енглеском језику…… |
||
Централни систем резервоара за течност :
* Резервоар за воду: запремине 5,5 кубних метара, направљен од угљеничног челика са унутрашњом антикорозивном заштитом, користи се за складиштење воде за гашење пожара.
* Резервоар за пену: запремине 2 кубна метра, направљен од нерђајућег челика отпорнијег на корозију, користи се за складиштење средства за гашење пеном.
* Укупни капацитет течности: укупно 7,5 кубних метара (раствор воде и пене), способан за независне или комбиноване операције гашења пожара пеном.
» Ⅲ. Систем ватрогасне пумпе:
|
Модел ватрогасне пумпе |
Притисак |
Максимални радни притисак |
Флукс |
Однос брзине |
|
ЦБ10/40-ЛЦ(БС) |
1,0 МПа |
1,380 МПа |
40 л/с |
1:1,542 |
Интегрисана контролна табла: Дизајн табле је интуитиван и интегрише:
• Илустровани водич: Јасно приказује поступке рада воденог кола, мере предострожности и дијаграм принципа рада противпожарне пумпе.
• Инструменти за праћење: Укључују манометре, вакуумметре, мераче нивоа пене, мераче нивоа воде, тахометре итд., који приказују радно стање система у реалном времену.
• Дугмад за управљање: Централно смештени контролни прекидачи за главни прекидач за напајање, вакуум пумпу, дисплеј нивоа, осветљење кутије са опремом итд.
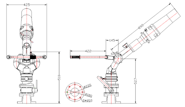
» Ⅲ. Систем за праћење пожара:
| Модел монитора за пожар | Проток | Домет | Називни притисак | Ротација висине тона | Хоризонтална ротација | Тежина |
| PL8/32 | 32 л/с |
вода ≥60 м, пена ≥48 м |
0,80 МПа |
-45
°
~+70
°
|
0~360 ° | 23 кг |
» Ⅳ . Технички дизајн:
Одељење за истраживање и развој POWERSTAR-а за дизајн:
100% прилагођен изглед, дизајн капацитета резервоара за воду + пену, кутија за складиштење алата за гашење пожара, такође се може прилагодити цела величина камиона .
» Ⅵ Тест пре отпреме:
Пре него што смо испоручили ватрогасно возило са пеном HOWO 4X2 7500L из наше фабрике, извршили смо фабрички преглед ватрогасног возила, који је обухватао тестирање на кишу, тестирање перформанси ватрогасне пумпе и монитора за ватру, као и завршни преглед процеса заваривања, фарбања и других аспеката.
» VII. Примене: